您訪問的鏈接即將離開“ 市水利局 ”門戶網站 是否繼續?
繼續訪問放棄
目 錄
第一部分 臺山市水務局概況
一、 部門職責
二、 機構設置
第二部分 臺山市水務局2016年部門決算表
一、收入支出決算總表
二、收入決算表
三、支出決算表
四、財政撥款收入支出決算總表
五、一般公共預算財政撥款支出決算表
六、一般公共預算財政撥款基本支出決算表
七、一般公共預算財政撥款“三公”經費支出決算表
八、政府性基金預算財政撥款收入支出決算表
第三部分 臺山市水務局2016年部門決算情況說明第四部分 名詞解釋
第一部分 臺山市水務局概況
一、主要職責
(一)臺山市水務局是主管全市水行政工作的職能部門。貫徹執行國家有關水行政的方針、政策和法律法規,并監督實施;
(二)擬訂水利和小水電發展的中長期規劃、年度計劃和本市區域內的綜合規劃并監督實施;
(三)統一管理水資源,組織水資源監測和調查評價,配合有關部門制定水利的財務規章和價格、稅收、信貸等經濟調節措施;
(四)組織、指導水政監察和水行政執法,負責水庫、小水電站大壩的安全的監督;
(五)組織編制、審查大中型水利基建項目設計文件申報,組織實施和監督水利工程技術標準、規程、規范工作,指導水利隊伍建設,管理直屬水利單位和移民安置工作;
(六)承擔市防汛防旱防風指揮部的日常工作;
(七)承辦市人民政府和上級水利部門交辦的其他事項。
二、機構設置
按照部門決算編報要求,納入臺山市水務局2015年部門決算編報范圍的單位共4個,包括臺山市水務局本級和下屬3個預算單位(臺山市水政監察大隊、臺山市水利工程建設管理中心、臺山市水利水電工程質量監督站)。

















第三部分 臺山市水務局2016年部門決算情況說明
一、2016年度收入支出決算總體情況說明
(一)年度收入總體情況
臺山市水務局2016年度總收入13984.46 萬元,其中本年收入13984.46 萬,具體情況如下:
財政撥款收入13984.46 萬元,比上年決算數增加235.28萬元,增加1.71 %。主要原因是本年度農林水項目有所增加。
(二)2016年度支出總體情況
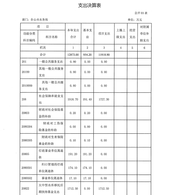
臺山市水務局2016年度總支出12873.01萬元,其中本年支出12873.01萬元,具體情況如下:
1、一般公共服務(類)支出 0.85 萬元,主要用于維修費,比上年決算數增加0.85 萬元,增長100%,主要原因是公共服務項目維修費。
2、社會保障和就業支出1918.68萬元,主要用于對行政事業單位離退費、大中型水庫移民后期扶持基金支出、小型水庫移民扶助基金及對應專項債務收入安排的支出,比上年決算數增加1269.81萬元,增長195.7%,主要原因是移民項目補助及設施建設增加。
3、醫療衛生與計劃生育支出4.71萬元,主要支出項目有對行政單位醫療、公務員醫療補助,比上年決算數增加4.71萬元,增加100%,主要原因是上年職工醫療保險和公務員醫療保險沒計入此類支出,所以與上年對比增加。
4、農林水支出10871.24萬元,主要用于水利項目支出,比上年決算數增加21.14萬元,增長0.19%,主要原因是本年投入水利項目有所增加。
5、住房改革支出46.01萬元,主要用于住房公積金。比上年決算數增加6.21萬元,增加15.6%,主要原因是工資基數上調,導致公積金上調。
二、2016年度財政撥款收入支出總表說明
(一)2016年度財政撥款收入說明
臺山市水務局2016年度財政撥款收入合計13984.46萬元。其中:一般公共預算財政撥款收入12225.66 萬元,比年初預算增加7008.3萬元,增加134.33%;主要原因是農林水項目增加;政府性基金預算財政撥款收入614.86萬元,比年初預算數增加614.86萬元,增長614.86 %;主要原因是移民項目補助及設施建設增加。
(二)2016年度財政撥款支出說明
臺山市水務局2016年度財政撥款支出合計12873.01萬元。其中:一般公共預算財政撥款支出12225.66 萬元,比年初預算數增加7008.3萬元,增長134.33 %;主要原因是農林水項目增加;政府性基金預算財政撥款支出1758.81萬元,比年初預算數增加583.33 萬元,增長583.33 %;主要原因是移民補助與基礎設施建設今年財政撥款為583.33萬元,余下1175.48是上年結余款支付,所以增長率是按今年財政撥款對比。
分功能科目看
1、 一般公共服務(類)支出 0.85 萬元,主要用于公共服務項目維修費。
2、社會保障和就業支出1918.68萬元,主要用于對行政事業單位離退費191.22萬元,大中型水庫移民后期扶持基金支出1712.45萬元,小型水庫移民扶助基金及對應專項債務收入安排的支出14.83萬元。
3、醫療衛生與計劃生育支出4.71萬元,主要用于行政單位醫療2.8萬元,公務員醫療補助1.91萬元
4、農林水支出10871.24萬元,主要用于對水利項目支出10802.95萬元。
三、2016年度財政撥款“三公”經費支出決算情況說明
(一)“三公”經費財政撥款支出決算總體情況說明
臺山市水務局2016年度“三公”經費財政撥款支出決算為 17.51萬元,完成預算29.97 萬元的41.57 %。其中:因公出國(境)費支出決算為 0 萬元。公務用車購置及運行維護費支出決算為13.91 萬元,完成預算22.98萬元的39.47 %,主要厲行節約三公經費開支;公務接待費支出決算為3.6萬元,完成預算 6.99萬元的48.5%,主要是減少各類公務接待開支。2016年度“三公”經費支出決算小于預算數的主要原因是認真貫徹落實中央八項規定精神和厲行節約的要求,從嚴控制“三公”經費開支,全年實際支出比預算有所節約。
與上年相比,2016年度“三公”經費財政撥款支出決算數比上年減少12.46萬元,下降41.57 %。其中:公務用車購置及運行維護費支出決算減少9.07 萬元,下降39.47 %,主要是厲行節約三公經費開支;公務接待費支出決算減少3.39萬元,下降48.5 %,主要是減少各類公務接待開支。2016年度“三公”經費支出決算小于上年決算數的主要原因是認真貫徹落實中央八項規定精神和厲行節約的要求,從嚴控制“三公”經費開支,全年實際支出比上年有所節約。
(二)“三公”經費財政撥款支出決算具體情況說明
2016年“三公”經費財政撥款支出決算中,因公出國(境)費 0萬元,占0%;公務用車購置及運行維護費支出 13.91萬元,占79.44 %;公務接待費支出3.6 萬元,占20.56 %。具體情況如下:
1. 因公出國(境)費支出 0 萬元。
2.公務用車購置及運行維護費支出13.91萬元,其中:公務用車購置支出為 0萬元;公務用車運行及維護支出13.91 萬元,2016年局機關及下屬3個單位公務用車保有量為 5 輛,公務接待以及公務出差、參加會議、學習培訓等。
3.公務接待費支出3.6 萬元,主要用于上級單位檢查和相關單位交流工作等方面的接待。2016年,局機關及下屬3個單位共接待國外來訪團組 0 個,來訪外賓 0 人次;發生國內接待 107次,接待人數共1075人。主要包括上級單位檢查和相關單位交流工作等方面的接待。
四、其他重要事項的情況說明
(一)機關運行經費支出情況
2016年本部門機關運行經費支出78.85萬元(與部門決算中行政單位和參照公務員法管理的事業單位一般公共預算財政撥款基本支出中公用經費之和保持一致),比上年減少3.35萬元,增長(降低)4.1%。主要原因是履行節約,壓減不必要的經費支出。
(二)政府采購支出情況說明
2016年本部門政府采購支出總額0萬元。
(三)國有資產占用情況
截至2016年12月31日,本部門共有車輛4輛,其中,一般公務用車4輛(用于機要通信、應急工作);單位價值50萬元以上通用設備0臺(套),單價100萬元以上專用設備0臺(套)。
(四)預算績效管理工作開展情況。
2016年本部門無預算績效信息公開工作情況
第四部分 名詞解釋
一、財政撥款收入:指財政當年撥付的資金事業收入。
二、事業收入:指事業單位開展專業業務活動及輔動所取得的收入。
三、經營收入:指事業單位在專業業務活動及其輔助活動之外開展非獨立核算經營活動取得的收入。
四、其他收入:指除上述“財政撥款收入”、“事業收入”、“經營收入”等以外的收入。主要是非本級財政撥款、存款利息收入、事業單位固定資產出租收入等。
五、用事業基金彌補收支差額:指事業單位在用當年的“財政撥款收入”、 “事業收入”、“經營收入”、“其他收入”不足以安排當年支出的情況下,使用以前年度積累的事業基金(事業單位當年收支相抵后按國家規定提取、用于彌補以后年度收支差額的基金)彌補本年度收支缺口的資金。
六、年初結轉和結余:指以前年度尚未完成、結轉到本年按有關規定繼續使用的資金。
七、結余分配:指事業事位按規定提取的職工福利基金、事業基金和繳納的所得稅,以及建設單位按規定應交回的基本建設竣工項目結余資金。
八、年末結轉和結余:指本年度或以前年度預算安排、因客觀條件發生變化無法按原計劃實施,需要延遲到以后年度按有關規定繼續使用的資金。
九、基本支出:指為保障機構正常運轉、完成日常工作任務面發生的人員支出和公用支出。
十、項目支出:指在基本支出這外為完成特定行政任務和事業發展目標所發生的支出。
十一、經營支出:指事業單位在專業業務活動及其輔助活動之外開展非獨立核算經營活動所發生的支出。
十二、“三公”經費:按照黨中央、國務院有關文件及部門預算管理有關規定,“三公”經費包括因公出國(境)費、公務用車購置及運行費和公務接待費。(1)因公出國(境)費,指單位工作人員公務出國(境)的住宿費、旅費、伙食補助費、雜費、培訓費等支出。(2)公務用車購置及運行費,指單位公務用車購置費及租用費、燃料費、維修費、過路過橋費、保險費、安全獎勵費用等支出。公務用車指用于履行公務的機動車輛,包括領導干部專車、一般公務用車和執法執勤用車。(3)公務接待費,指單位按規定開支的各類公務接待(含外賓接待)支出。
十三、機關運行經費:指為保障行政單位(含參照公務員法管理的事業單位)運行用于購買貨物和服務的各項資金,包括辦公及印刷費、郵電費、差旅費、會議費、福利費、日常維修費、專項材料及一般設備購置費、辦公用房水電費、取暖費、物業管理費、公務用車運行維護費以及其他費用。
凡本網注明"稿件來源:臺山政府網"的所有文字、圖片和音視頻稿件,版權均屬臺山政府網所有,任何媒體、網站或個人未經本網協議授權不得復制或轉載。已經本網協議授權的媒體、網站,在下載使用時必須注明"稿件來源:臺山政府網",違者本網將依法追究責任。本網轉載其他媒體稿件是為傳播更多的信息,此類稿件不代表本網觀點,本網不承擔此類稿件侵權行為的連帶責任。如轉載稿件涉及版權等問題,請作者速與本網取得聯系。本網未注明"稿件來源:臺山政府網"的文/圖等稿件均為轉載稿,如其他媒體、網站或個人從本網下載使用,必須保留本網注明的"稿件來源",并自負版權等法律責任
聯系方式:0750-5524538郵件:ts686@126.com